Q
常州市武进南夏墅电子器件有限公司企业标准
Q/CWND 0001S—2016
超声波探伤仪探头
2015-01-01发布 2015-01-10实施
常州市武进南夏墅电子器件有限公司 发布
前言
本标准按照GB/T 1.1-2009给出的规则起草。
本标准依据TB/T 2340-2012《钢轨超声波探伤仪》和TB/T 1632.1-2014 《钢轨焊接 第1部分:通用技术条件》起草。
本标准的起草单位:常州市武进南夏墅电子器件有限公司。
本标准的起草人:王丕显、王勃。
本标准为首次发布。
超声波探伤仪探头
1 范 围
本标准规定了超声波探伤仪探头的术语、技术要求、检验方法、保质期等。
本标准适用于超声波探伤仪探头(以下简称探头),包括钢轨探头和焊缝探头。
2 术语和定义
钢轨超声波探伤仪探头是指可用来对钢轨进行探伤的含保护膜、探头芯和探头线在内的探头整体;焊缝探伤仪探头是指可用来对钢轨焊缝进行探伤的探头。
2.1 探头 probe
用来对使用中的钢轨(路轨)进行探伤的含保护膜、探头芯和探头线在内的探头整体。
2.2 灵敏度 sensitivity
超声探伤系统所具有的探测最小缺陷的能力。
2.3检测灵敏度 detection sensitivity
超声探伤时调整灵敏度至给定水平,以便在给定的应用条件下检出存在缺陷。
2.4 灵敏度余量 sensitivity margin
超声波探伤系统中,以一定电平表示的标准缺陷探测灵敏度与最大探测灵敏度之间的差值。
2.5 分辨力 resolution
能够区分相距最近的两个缺陷的能力。
3 规范性引用文件
下列文件对于本文件的应用是必不可少的。
TB/T 2340-2012《钢轨超声波探伤仪》
TB/T 1632.1-2014 《钢轨焊接 第1部分:通用技术条件》
TB/T 2658.21-2007 《工务作业 第21部分:钢轨焊缝超声波探伤作业》
4 技术要求
4.1 钢轨超声波探头
4.1.1 总则
探头外观应无损伤,探头连线应柔韧,接头插接可靠,屏蔽良好。探头上应有ZBY344规定的探头名牌,标明厂名、编号、生产日期和类型。探头与保护膜之间不应存在间隙或气泡,确保良好的声耦合。应无双峰和波形跳动现象。
4.1.2 物理性能
对于平面探头,探头耦合表面的平面度公差不应大于0.05mm。
4.1.3 回波频率
横波探头:2MHz~2.5MHz;
纵波探头:3.5MHz~5MHz或2MHz~2.5MHz。
4.1.4 回波频率相对误差
回波频率相对误差不应大于15%。
4.1.5 折射角误差
35°~45°探头的折射角误差:0°~3°;
70°探头的折射角误差:-3°~0°。
其他角度的探头可参照本条执行。
4.1.6 声轴偏斜角
声轴偏斜角θ≤2°。
4.1.7 组合探头相对偏差
组合探头相对偏差应小于或等于2mm。
4.1.8 保护膜衰减值
保护膜衰减值应小于或等于8dB。
4.1.9 分辨力
0°探头分辨力:≥18dB;斜探头分辨力:≥14dB。
4.1.10 灵敏度余量
探头灵敏度的高低用与仪器组合后的灵敏度余量来表示。
0°探头:≥40dB;
37°探头:≥40dB;
70°探头:≥40dB。
4.1.11 声束宽度N
0°探头:N≥25mm;
37°探头:N≥15mm;
70°探头:N≥60mm。
4.1.12 楔内回波频率ΔS
0°探头:ΔS≤-26dB;
37°探头:ΔS≤-30dB;
70°探头:ΔS≤-32dB。
4.1.13 工作环境温度
普通型探头(A):-20℃~50℃;
低温型探头(B):-30℃~50℃;
超低温型探头(C):-40℃~40℃。
在这些情况下能正常工作。
4.2 焊缝超声波探头
4.2.1 总则
应无双峰和波形抖动现象,探头前沿长度应能满足探伤扫差范围的需要。
4.2.2 回波频率
回波频率≥2.5MHz。
4.2.3 回波频率误差
回波频率误差≤10%。
4.2.4 折射角误差
折射角在37°~45°之间时:≤1.5°;
折射角≥60°时:≤2°。
4.2.5分辨力
分辨力≥20dB
4.2.6 横波探头始波宽度
横波探头始波宽度≤25mm(CSK-Ⅰ A R100圆弧面增益40dB)
4.2.7 相对灵敏度
纵波直探头:≥55dB;
2.5MHz横波探头:≥65dB(CSK-ⅠA R100圆弧面)
5 测试方法
5.1 回波频率
将直探头对准试块底面,(斜探头则测CSK-ⅠA 试块R100圆弧面),并使第一次回波最高,用示波器观察底波的扩展波形(如图1),在这个波形中以峰值点P为基准,读取其前一个和后二个共计三个周期的时间T3,把T3作为测量值。
回波频率fe=3/T3:fe——MHz,T3——μs
注:当波形无法读取三个周期时,也可读取峰点前一个和后一个,共计二个周期的时间T2,则fe=2/T2。

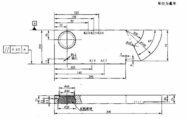
5.2折射角(K值)
图1
5.2.1 探头前沿长度L的测定
①按要求连接探头和电源,开启仪器,调节仪器聚焦电位器,使扫描基线最清晰;
②探头探测CSK-ⅠA试块R100圆弧,保证耦合良好,探头和试块侧边平行。
③前后移动探头,调节仪器增益使最高回波达到80%;
④在波高80%时,量取试块前端至探头前沿距离,并重复该步骤三次,取三次距离的平均值b;(图2)


图2
⑥前沿长度L计算
前沿长度L=100-b
5.2.2 折射角(或K值)的测定
利用CSK-ⅠA试块上Φ50圆弧面和Φ1.5横通孔进行测定,测定时将探头置于适当位置(图3)作平行于侧面的前后移动,调节仪器面板有关旋钮,使最高反射回波达80%,此时入射点所对应的试块上标定的刻度则为探头的K值,因为K=tgβ,所以可通过计算获得折射角β值。
由于所测探头的角度不一,实测入射点不一定对准试块刻度标定的K值,一般都用计算法求得探头在不同位置上的折射角。
①已知探头标称折射角为60°~75°,探头应置于图3B,则:β=arctg(X1+L-35)/30
②已知探头标称折射角为35°~60°,探头应置于图3A,则:β=arctg(X2+L-35)/70
③已知探头标称折射角为75°~80°,探头应置于图3C,则:β=arctg(X3+L-35)/15

图3
5.3声轴偏斜角
5.3.1 0°探头
将0°探头放在WGT-3试块上探测深度为80mm的横孔,如图4,沿试块纵向前后移动探头,并注意保持探头与试块侧面平行,使横孔反射波最高,测量晶片中心到试块端的距离L,则声轴偏斜角θ用下式计算:θ=tg-1(| L-120 |/80)

| 图4 |
5.3.2 斜探头
将探头置于1号标准试块25mm厚的表面,35°~45°探头探测试块侧面的上棱角,70°探头探测试块侧面的下棱角,如图5所示,前后移动和左右摆动探头,使测试棱角反射波最高,然后用量角器测量探头中心线与试块侧面法线之间的夹角,此夹角即为声轴偏斜角θ。

图5
5.4 组合探头相对偏差
以探头外壳纵向中心线为基准线,用直尺测量两探头中心到基准线的垂直距离a1、a2,当两探头中心在基准线同侧时,a1、a2之差为组合探头的相对偏差,在异侧时,a1、a2之和为组合探头的相对偏差。(如图6)

图6
5.5 保护膜衰减
用带保护膜的70°探头探测CSK-ⅠA试块R100圆弧面,前后移动探头并保持探头与试块侧面平行。调节灵敏度,使R100圆弧面最高反射波达满幅度的80%,记下此时衰减器读数W1,然后去掉保护膜,保持探测条件不变,重复上面的测试,并调节衰减器,使此时R100圆弧面最高反射波达到满幅度的80%,设此时衰减器读数为W2,则W2和W1之差即为保护膜的衰减数。
5.6 分辨力
测试时探伤仪抑制置“零”或“关”,必要时可以加匹配线圈。
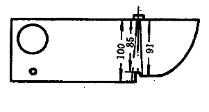
0°探头:将0°探头置于CSK-ⅠA试块上,探测声程分别为85mm和91mm反射面的反射波,移动探头,使两波等高,改变灵敏度使两波波幅达到满幅度的100%,(图7)然后测量波谷高度h,则该探头的分辨力R计算为:
R=20lg(100/h)
若h=0或两波能完全分开,则取R>30dB。


图7
斜探头:用斜探头探测CSK-ⅠA试块Φ50mm和Φ44mm两个圆弧面的反射波(70°探头在A面,37°探头在B面),移动探头,使两波等高,改变灵敏度使两波波幅达到满幅度的100%,(图8)然后测量波谷高度h,R的计算方法同0°探头。

图8
5.7 灵敏度余量
首先将探伤仪的增益置最大,设此时增益为S0。
将探头连接到相应通道上:
0°探头的基准波为WGT-3试块上110mm深底面的一次回波;
35°~45°探头的基准波为在WGT-3上深65mm的Φ3mm横通孔的一次波;
70°探头的基准波为WGT-3试块上深65mm的Φ3mm横通孔的一次波。
耦合良好,在保持探头轴线与试块侧面平行的情况下前后移动探头,并调节增益,使各基准波的最高波达到满幅度的80%,设此时衰减增益为S1,,探头的灵敏度S=S0-S1。
5.8 声束宽度N
使用与探头相匹配的探伤仪,斜探头探测WGT-3试块上65mm深Φ3mm横孔,0°探头探测WGT-3试块上80mm深横孔,使最高孔波的幅度达到满幅度的80%,然后将灵敏度余量提高6dB,沿试块纵向前后移动探头,并注意保持探头与试块纵向平行,直至孔波幅度降至满幅度的80%,则探头前后移动距离即为声束宽度N。
5.9 楔内回波频率ΔS
连接探头和通用探伤仪,必要时可以加匹配线圈。
0°探头探测阶梯试块上反射幅度最高的底波(即距离特性曲线幅度最高点所对应的或与其接近的底面反射波),斜探头则探测WGT-3试块上反射幅度最高的深Φ3mm横孔反射波,调节衰减器,使上述反射波的最高幅度至满刻度的80%,记下此时衰减器的读数Sw。将探头置于空气中,擦去表面油层,调节衰减器,使其回波幅度达到满刻度的80%,设此时衰减器的读数Ss,则探头的楔内回波幅度ΔS为Sw-Ss。
6 标志、包装、运输、贮存、保质期及随机文件
6.1 标志
探头标牌应标明探头的类型、生产商、序号等。
6.2 包装
产品包装应防尘、防振、防压,不同型号探头分开包装。
6.3 运输
产品经运输包装后,可用常用的交通工具运输。
6.4 贮存
探头存放环境:温度-12℃-40℃,相对湿度小于75%,无过多灰尘、酸、碱、强烈日光及其他会引起腐蚀的气体,且无强烈的机械振动,冲击及强烈电磁场。
6.5 保质期
探头自到货之日起六个月内,若出现产品质量问题,除用户操作不当或其它人为因素造成的伤损外,厂方应负责免费更换。
6.6 随机文件
包括装箱单,合格证,说明书。
附录A
WGT-3试块

附录B
CSK-ⅠA试块

附录C
阶梯试块


